鈦合金螺栓金相組織分析
TC4、TC6、TC16等鈦合金螺栓的金相組織都為α+β兩相組織,退火組織的α量多,熱處理固溶+時效后的α量比退火組織的α量要少一些。
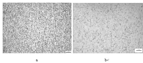
(1) TC4鈦合金螺栓
A. TC4鈦合金螺栓金相組織為α+β,見圖5-24(a 100×,b 500×)。
圖5-24 TC4螺栓固溶時效金相組織
B. TC4鈦合金螺栓熱處理工藝
退火:780℃ 2h,氬氣或氮氣冷卻
固溶:955℃ 1h,流動凈水冷卻
時效:540℃ 6h,氬氣或氮氣冷卻
(2) TC6鈦合金螺栓
A. TC6鈦合金螺栓退火金相組織為α+β,見圖5-25。
圖5-25 TC6鈦合金螺栓退火金相組織100×
B. TC6鈦合金螺栓熱處理工藝
等溫退火:870℃ 1h,隨爐冷至650℃保溫2 h,氮氣冷卻
(3) TC16鈦合金螺栓
A. TC16鈦合金螺栓金相組織為α+β,見圖5-26 (a、b、c)。
B. TC16鈦合金螺栓熱處理工藝
退火:780℃ 2h,氬氣或氮氣冷卻
固溶:800℃ 1.5h,流動凈水冷卻
時效:540℃ 8h,氬氣或氮氣冷卻





浙公網安備 33042402000106號 a>

